产品中心

Product Center

当前位置:首页 >> 产品中心 >> 轻触开关系列
TVEM03
TVEM03

产品特性

紧凑尺寸6.2x6.2mm
垂直推式
回流焊
3.1mm高的低轮廓
带防静电接地引脚
旋转按钮

应用范围

视频
音频
专业音频

产品参数

项目
参数
工作温度范围
-30℃ to +85℃
电气性能
额定功率
50mA. 12V DC
绝缘电阻100MΩ min. 100V DC
介电强度250V AC for 1 min.
接触电阻100mΩ max.
耐用性寿命A:B=1,000,000Cycles C=500,000Cycles
机械性能作用力B:180gf C:250gf
行程
0.25±0.1mm

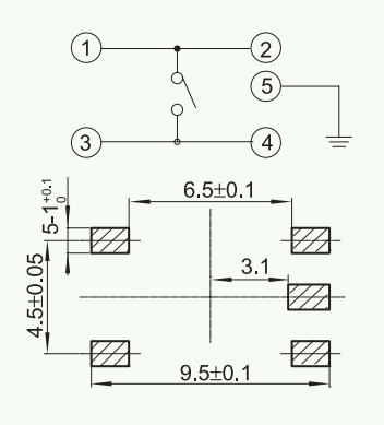
规格图

线路图

在线询价
相关产品
Copyright © 2024 乐清市东迅电子有限公司 All Rights Reserved. | 浙ICP备2024113880号
Top