PRODUCT

Product Center

Position:HOME >> PRODUCT >> Tact switch Series
THAM04
THAM04

FEATURES

Miniature size 4.6x2.3mm
Horizontal push type
Reflow Solderable
Fixed pillar available

APPLICATIONS

Major home appliances
Distribution boards
Storage batteries
Office equipment

SPECIFICATION

Items
Standard
Operating temperature range
-30℃ to +85℃
Electrical
performance
Rating
50mA. 12V DC
Insulation resistance100MΩ min. 100V DC
Dielectric strength250V AC for 1 min.
Contact resistance100mΩ max.
DurabilityLifetimeA:B:E=50,000Cycles C=30,000Cycles
Mechanical
performance
Operating forceA:90gf B:180gf C:250gf E:140gf
Travel
0.2±0.1mm


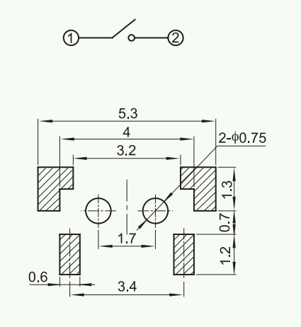
Dimensions

Circuit Diagram

Online inquiry
Related products
Copyright © 2024 Yueqing Dongxun Electronics Co., Ltd. All Rights Reserved. | 浙ICP备2024113880号
Top